Genie Electromecanique

Cours Filtre avec inductance

 Filtre avec inductance

    Avec redressement monophasé simple (demi-onde)

Le filtre inductif le plus simple consiste en une inductance (ou bobine de lissage) placée en série avec la charge 

Il utilise la propriété des inductances de s’opposer à toute variation du courant qui les traverse. Placée en série, l’inductance oppose donc une forte résistance au passage du composant alternatif. Ceci contribue à diminuer la tension d’ondulation. La forme d’onde aux bornes de la charge est illustrée 

Le courant dans la charge atteint son maximum après celui de la tension de es. Le courant se prolonge après l’inversion de la source d’alimentation lorsque la bobine restitue l’énergie qu’elle avait emmagasinée. La durée de ce débit augmente avec la constante de temps L/Rc.

 

    Avec redressement à double alternance

L’inconvénient principal d’utiliser un redressement à simple alternance est le fait qu’il est impossible d’obtenir une tension continue non pulsée, c’est-à-dire un courant ininterrompu dans la bobine.Dans un redresseur à double alternance (pleine-onde), la tension de sortie moyenne est augmentée et le circulant dans la charge et dans l’inductance n’est plus interrompu).

Le taux d’ondulation est déterminé par le rapport entre la réactance de la bobine et la valeur de la résistance de charge. On néglige cependant l’effet des harmoniques supérieures.er = Umax x Rc / (Rc + XL)   (à 100Hz)

La formule précédente indique clairement que le taux d’ondulation diminue lorsque L augmente et lorsque la résistance de charge diminue en valeur ohmique, c’est-à-dire lorsque le courant de charge est important. En conclusion, le filtre inductif série ne devrait être utiliser que dans le cas d’un courant de charge assez important.

    Exemple

En utilisant le circuit de la Figure 4-18 où es = 50V à 50Hz, L = 1H et Rc = 10W, répondez aux question suivantes.Questions

  a)     XL = ?
  b)     Umax = ?
  c)     Umoy = ?
  d)     er = ?
  e)     h = ?

Solution XL = 2p x 100Hz x 1H = 628WUmax = 50V x 1,414 – 1,4V = 69,6VUmoy = 0,636 x 69,6V = 44,3Ver = 69.6V x 10 W / (10 W + 628 W) = 1,1 V c.à c.h = 1.1V / (44,3V + 1,1V / 2) = 0,02 ou 2%

  Avec filtre LC

Nous avons appris, avec un filtre capacitif, que le taux d’ondulation augmente lorsque la résistance de charge diminue; par contre, il diminue avec un filtre inductif. Une combinaison de ces deux filtres doit nous permettre d’obtenir un taux d’ondulation indépendant de la résistance de charge.

Lorsqu’il n’y a aucune charge, le filtre LC fonction comme un filtre capacitif et le condensateur se charge au maximum de la source. Lorsque la charge est importante, le courant dans la bobine est ininterrompu et le filtre LC fonctionne comme un filtre inductif et la tension aux bornes de la charge est Umoy.Entre ces deux limites il existe un point critique où le courant traversant la bobine devient ininterrompu. Ce courant est appelé le courant critique. La valeur de ce courant oscille autour du courant moyen et la valeur instantanée de celui-ci ne doit pas devenir nul.

UL c. à c. = UmaxXL = Umax / (2 x I moy critique)          I moy critique = Umax / (2 x XL)En considérant le courant dans la charge comme étant à peu près constant, on peut dire que les variations du courant de la bobine circuleront aussi dans le condensateur.          er = I moy critique x 2 x XC ( er est donc indépendant de Rc)

 

    Exemple

En utilisant le circuit de la Figure 4-20 où es = 24V à 50Hz, L = 0,2H et C = 470mF, répondez aux question suivantes.
Questions

  a)     I moy critique=?
  b)     DIL = ?
  c)     Umoy = ?
  d)     er = ?
  e)     h = ?

Solution XL = 2p x 100Hz x 0,2H = 126WUmax = 24V x 1,414 – 1,4V = 32,5VI moy critique = 32,5V / (2 x 126W) = 129mADIL = 2 x I moy critique = 2 x 129mA = 258mAUmoy = 32,5V x 0,636 = 20,7VXC = 1 / (2p x 100Hz x 470mF) = 3,39Wer = 258mA x 3,39W = 880mV c. à c.h = 880mV / (20,7V + 880mv / 2) = 0,041 ou 4,1%

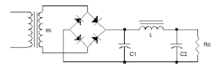
    Filtre en p (CLC)

Le filtre en p est une combinaison du filtre capacitif et du filtre LC. Lorsqu’aucun courant de charge ne circule, la tension de sortie vaut Umax. La valeur de la tension moyenne de sortie est supérieure à celle obtenue avec un filtre LC mais la régulation de tension est moins bonne. Son taux d’ondulation est cependant plus faible que celui du filtre LC mais il est dépendant de la charge (Rc).

DUL @ DVC1 = I moy / (C x f)où f = 100Hz          er = DUL x XC2 / XL

 

       Exemple

En utilisant le circuit de la Figure 4-22 où es = 24V à 50Hz, C1 = 10 000mF, L = 0,2H, C2 = 470mF et Icharge = 2A, répondez aux question suivantes.

Questions

  a)     DUC1 = ?
  b)     DIL = ?
  c)     URc moy = ?
  d)     er = ?
  e)     h = ?

Solution DUC1 = 2A / (10 000mF x 100Hz) = 2VXL = 2p x 100Hz x 0,2H = 126WDIL = 2V / 126W = 15,9mAUmax = 24V x 1,414 – 1,4V = 32,5VUC1moy = URcmoy = 32,5V – 2V / 2 = 31,5VXC2 = 1 / (2p x 100Hz x 470mF) = 3,39Wer = 15,9mA x 3,39W = 53,9mVh = 53,9mV / (31,5V + 53,9mV / 2) = 0,0017 ou 0,17%

Exit mobile version